WF 3168 – Battery Stack Monitor and Balancing Module
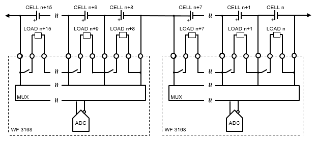
The WF 3168 from WireFlow is a complete battery monitoring and balancing device that includes a high voltage input multiplexer, ADC and balancing switches for each battery cell. The module can measure up to 8 series-connected cells with a voltage up to 15V per cell.
The module measurement circuit is galvanically isolated from the earth ground and provides up to 1000 VDC channel-to-earth ground isolation, making the module ideal for accurately monitoring large battery stacks. By using several WF 3168 modules it is possible to monitor every cell in a long string of series-connected cells.
$ 2,370.00
Related Products
Quote request for WF 3168 – Battery Stack Monitor and Balancing Module
Downloads, Information & Videos
Downloads
LabVIEW Driver
AC0106-002 Container – VIP file.zip | (For LabVIEW versions ≥ LabVIEW 2017)
For LabVIEW versions < LabVIEW 2017, download THIS file instead.
User Manual
AC0094-009 WF 3168 User Manual.pdf
Data sheet
AB0005-062-WF-3168-Data-Sheet.pdf
Additional Downloads
Battery Stack Demo
AB0005-084 AN8 Battery Stack Demo.pdf
Mixing WF and NI modules
AB0005-056 AN4 Mixing WF and NI modules.pdf
FPGA Resource Usage for WF C Series modules
AB0005-104 AN16 FPGA Resource Usage for WF C Series modules.pdf
WF modules and Scan mode
AB0005-041 AN13 Using WireFlow C Series modules in Scan Mode.pdf
Integrating WF modules with NI VeriStand
AB0005-098 AN14 Integrating WF modules with NI VeriStand.pdf | Code examples can be downloaded HERE
Specifications
– Cell Voltage Range; 15 V
– Resolution 0.1 mV
– Accuracy, typical; ± 0.6 mV @ 10 V
– Sampling rate; 33 Hz
– Balancing current; 1.5 A/Ch
– Ch – Earth Isolation; 1000 VDC
Features
– Measures up to 8 battery cells in series
– 8 discharge FETs for passive balancing
– Stackable architecture
– Supports multiple battery chemistries, such as 12V lead-acid and 3.7V Li-ion
– Galvanically isolated from earth ground
– 1000 VDC ch-earth isolation (continuous)
– Also for negative grounding systems
Application areas
– Battery Backup Systems
– Battery Management System
– Electric and Hybrid Electric Vehicles
– High Power Portable Equipment
– Energy Storage Packs
Shipping information
– Product Net Weight: 0.17 kg
– Country of Origin: Sweden (SE)
– Harmonized System (HS) Code: 903290
– Combined Nomenclature (CN) Code: 903290.00
– TARIC Code: 903290.00.90

Support & FAQ
Visit our knowledge base on our Support Portal if you don’t find any answers to your questions here.
General information
Can I use ScanEngine for the WF 3168 Battery Stack Monitor and Balancing Module?
ScanEngine access is not directly accessible for Third-Party modules, but it is quite easy to mix WireFlow C Series modules with other NI modules in a system and still access the NI modules in Scan Mode. Please see application note AB0005-056 AN4 Mixing WF and NI modules for a step-by-step guide how to do this.
What kind of connector are used for the WF 3168 Battery Stack Monitor and Balancing Module?
The WF 3168 uses a 36-Pos connector. You should connect the terminal block for 36-Pos Plug to the module. This terminal block is included together with the module when shipped from WireFlow.
Is the WF 3168 module compatible with cDAQ-systems from National Instrument?
No it is not. At the moment only the WF 3132 module works on both CompactDAQ and CompactRIO systems. The WF 3168 is for the time being only compatible with the CompactRIO systems, including the expansions chassis for Ethernet, EtherCAT, R Series and MXI-Express. However, National Instruments has released a CompactRIO series that supports NI-DAQmx, called NI-904x (you can find them HERE). On these chassis you can use all of our C Series modules.
How many FPGA resources does a C series module consume?
The FPGA usage of a specific software and hardware combination is affected by multiple factors such as; FPGA type and size, compilation options, the random starting point for FPGA code placement etc.
Hence, it is impossible to derive an exact figure that defines the FPGA usage of a specific C series module. For customers that are uncertain on whether their application will fit on a specific FPGA with a WireFlow C series module it is recommended to make a test-build. Note that no hardware is needed to make a test build. For more details, please see AB0005-104 AN16 FPGA Resource Usage for WF C Series modules.
VIDEO | WireFlow Battery Cycle Test Rigs – Solution for long term test and qualification of Li-Ion batteries
Keynote presentation from NI Automotive Forum 2019 in Göteborg on our Li-Ion battery cycle test-rig, utilizing the WF 3169, where we described the challenge with measurement-technology of battery packs with high cell-count and also to use the cRIO’s FPGA to design fast safety-functions.




