WF 3169 – Battery Stack Monitor Module
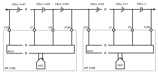
The WF 3169 from WireFlow is a battery monitoring module in the C Series that includes an ADC and a high voltage input multiplexer. The module can measure up to 24 series-connected cells with a voltage up to 5V per cell.
The module measurement circuit is galvanically isolated from the earth ground and provides up to 1000 VDC channel-to-earth ground isolation, making the module ideal for accurately monitoring large battery stacks. By using several WF 3169 modules it is possible to monitor every cell in a long string of series-connected cells.
$ 2,370.00
Related Products
Quote request for WF 3169 – Battery Stack Monitor Module
Downloads & Information
Downloads
LabVIEW Driver
AC0119-003 Container – VIP file.zip
User Manual
AC0117-004 WF 3169 User Manual.pdf
Data sheet
AB0005-097 WF 3169 Data Sheet.pdf
Additional Downloads
Measuring individual cells in high voltage battery packs
AB0005-116 AN19 Measuring individual cells in high voltage battery packs.pdf
Mixing WF and NI modules
AB0005-056 AN4 Mixing WF and NI modules.pdf
WF modules and Scan mode
AB0005-041 AN13 WF modules and Scan mode.pdf
FPGA Resource Usage for WF C Series modules
AB0005-104 AN16 FPGA Resource Usage for WF C Series modules.pdf
Integrating WF modules with NI VeriStand
AB0005-098 AN14 Integrating WF modules with NI VeriStand.pdf | Code examples can be downloaded HERE
Specifications
– Cell Voltage Range: 5 V
– Resolution: 0.1 mV
– Accuracy, typical: ± 0.2 mV @ 3.3 V
– Max sampling rate: 235 Hz
– Operating temperature: -40 °C to 70 °C (-40 °F to 158 °F)
– Ch-Earth Isolation: 1000 VDC
Features
– Measures up to 24 battery cells in series
– Stackable architecture
– Supports multiple battery chemistries, such as 3.2V – LiFePO4 and 3.7V Li-ion
– Galvanically isolated from earth ground
– 1000 VDC ch-earth isolation
– Also for negative grounding systems
Application areas
– Battery testing
– Battery Management System
– Electric and Hybrid Electric Vehicles
– High Power Portable Equipment
– Energy Storage Packs
Shipping information
– Product Net Weight: 0.17 kg
– Country of Origin: Sweden (SE)
– Harmonized System (HS) Code: 903290
– Combined Nomenclature (CN) Code: 903290.00
– TARIC Code: 903290.00.90

Support & FAQ
Visit our knowledge base on our Support Portal if you don’t find any answers to your questions here.
General information about WF 3169 – Battery Stack Monitor Module
Can I use ScanEngine for the WF 3169 Battery Stack Monitor Module?
ScanEngine access is not directly accessible for Third-Party modules, but it is quite easy to mix WireFlow C Series modules with other NI modules in a system and still access the NI modules in Scan Mode. Please see application note AB0005-056 AN4 Mixing WF and NI modules for a step-by-step guide how to do this.
What kind of connector are used for the WF 3169 – Battery Stack Monitor Module?
The WF 3169 uses a 36-Pos connector. You should connect the terminal block for 36-Pos Plug to the module. This terminal block is included together with the module when shipped from WireFlow.
Is the WF 3169 module compatible with cDAQ-systems from National Instrument?
No it is not. At the moment only the WF 3132 module works on both CompactDAQ and CompactRIO systems. The WF 3169 is for the time being only compatible with the CompactRIO systems, including the expansions chassis for Ethernet, EtherCAT, R Series and MXI-Express. However, National Instruments has released a CompactRIO series that supports NI-DAQmx, called NI-904x (you can find them HERE). On these chassis you can use all of our C Series modules.
How many FPGA resources does a C series module consume?
The FPGA usage of a specific software and hardware combination is affected by multiple factors such as; FPGA type and size, compilation options, the random starting point for FPGA code placement etc.
Hence, it is impossible to derive an exact figure that defines the FPGA usage of a specific C series module. For customers that are uncertain on whether their application will fit on a specific FPGA with a WireFlow C series module it is recommended to make a test-build. Note that no hardware is needed to make a test build. For more details, please see AB0005-104 AN16 FPGA Resource Usage for WF C Series modules.
VIDEO | WireFlow Battery Cycle Test Rigs – Solution for long term test and qualification of Li-Ion batteries
Keynote presentation from NI Automotive Forum 2019 in Göteborg on our Li-Ion battery cycle test-rig, utilizing the WF 3169, where we described the challenge with measurement-technology of battery packs with high cell-count and also to use the cRIO’s FPGA to design fast safety-functions.




